微型调速电机,微型减速电机,微型定速电机
当前位置: 首 页 > 产品展示 > GH卧式中型减速电机 > 中型减速电机GH卧式3700W

联系我们Contact Us

东莞市永传电机制造有限公司

手 机:13802395979

邮 箱:dgaboue@163.com

电 话:18029023313

网 址:www.ycmada.com

地 址:东莞市厚街镇家具大道196号光辉智谷B栋9楼

中型减速电机GH卧式3700W

  • 所属分类:GH卧式中型减速电机
  • 浏览次数:0
  • 发布时间:2023-02-21 13:56:27
  • 产品概述

  GH卧式3700W减速机构采用螺旋齿轮设计,其齿形啮合率为一般正齿轮的二倍以上,减速机锥齿轮部采用准双曲面螺旋伞齿轮,齿面经磨齿处理,具有低噪、音、高效率、结构紧促的特点,螺旋齿设计,基材兼备刚性与韧性,零部件啮合好、齿轮采用低碳合金钢、经渗碳淬将齿轮的表面。

  产品应用:传输设备、立体停车库设备、畜牧养殖、排屑机械、木工设备、印刷设备、纸箱设备、 棉箱设备、包装设备、电工电缆设备、自动化设备、建筑设备、工程机械等。

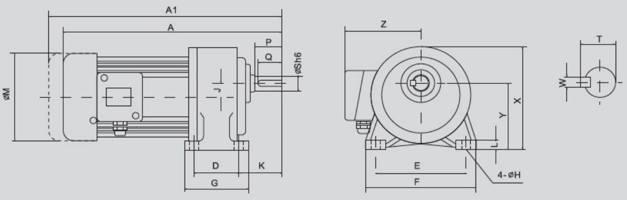
  尺寸图:

尺寸图

  尺寸表:

尺寸表

标签

GH卧式3700W,微型减速电机,微型定速电机
上一篇: RV减速机063 2023-02-21
下一篇: 中型减速电机GH卧式2200W 2023-02-21